HRE Burner Unit Spares
HRE Burner Unit Spares
from £1.50
If you would like to purchase a product that is unavailable please contact us for an up to date price.
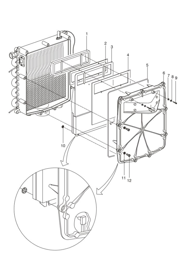
1 - Burner Knit - 800327
2 - Seal Burner - 877847
4 - Isolation Frontplate - 876457
5 - Seal Ring Front Plate 24kW - 876467
5 - Seal Ring Front Plate 28kW - 877927
5 - Seal Ring Front Plate 36kW - 876597
6 - Front Plate 24kW - 859807
6 - Front Plate 28kW - 859817
6 - Front Plate 36kW - 859827
7 - Seal Ring - 875897
12 - Bolt M8x40 inc. Dri-loc (9 per Boiler) - 305027-9
12 - Bolt M8x40 inc. Dri-loc (11 per Boiler) - 305027-11
Number:
Quantity:
